

作品包括:
Word版说明书1份,共56页,约29000字
CAD版本图纸,共7张
摘 要
可伸缩带式输送机以输送带为牵引和承载构件来输送设备,由减速器驱动滚筒,通过滚筒与输送带之间的摩擦力传递动力,能够将物料在一定的输送线上长距离连续传送,因此有较高生产率。它不同于普通带式输送机,含有贮带装置,可以实现整机的伸长和缩短,从而增大产量。是巷道和采煤工作面运输的主要设备,在矿山领域,得到了广泛的应用。本文主要对可伸缩带式输送机的机尾和贮带装置进行设计,收放胶带装置的设计,中间架的设计,并且包括这些设计所需计算和校核以及输送机皮带跑偏等。
关键词:可伸缩带式输送机;机尾;贮带装置
目 录
摘 要 I
Abstract II
目 录 III
第一章 绪论 1
1.1带式输送机发展状况 1
1.2可伸缩带式输送机的应用 2
1.3可伸缩带式输送机型号说明 2
1.4可伸缩带式输送机的工作原理 2
1.5可伸缩带式输送机的结构 3
1.6可伸缩带式输送机的工作条件 6
第二章 可伸缩带式输送机的设计计算 7
2.1设计要求 7
2.2带宽的确定 7
2.3带式输送机运行阻力的计算 8
2.4 电动机功率计算 12
2.5输送带不打滑条件校核 13
2.6各特性点张力计算 14
第三章 拉紧装置 17
3.1拉紧装置的种类和特点 17
3.1.1重锤式拉紧装置 17
3.1.2固定式拉紧装置 17
3.1.3自动拉紧装置 17
3.2拉紧装置的作用 18
3.3张紧装置在使用中应满足的要求 18
3.4拉紧装置移动要求 18
3.5拉紧装置布置时应遵循的原则 19
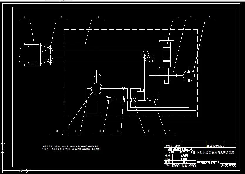
3.6选择液压自动张紧的原因 19
3.7液压自动张紧装置工作过程 20
3.8储绳滚筒的选择 20
3.9液压马达的特点和分类 21
3.10换向阀的特点和种类 22
3.11液压泵的分类和特点 22
3.12电机的种类和选择 23
3.13提升钢丝绳的分类 24
第四章联轴器 25
第五章 输送带 27
5.1输送带分类 27
5.2输送带的连接 28
5.3输送带张力计算原则: 28
第六章 托辊 29
6.1托辊的分类和特点 29
6.2托辊的作用 30
6.3托辊的设计计算 30
6.4托辊的选型 34
第七章 改向装置 36
第八章 配套部件选用和机尾架分析 37
8.1卸料装置 37
8.2清扫装置 37
8.3电气保护装置 38
8.4制动装置 39
8.5机尾和机尾架分析 41
第九章 可伸缩带式输送机安装、运转、维护 42
9.1安装前的准备工作 43
9.2钢丝吊挂式可伸缩带式输送机的安装 43
9.3落地式可伸缩带式输送机 44
9.4可伸缩带式输送机的试运转 44
9.5可伸缩带式输送机的加载运转 46
9.6可伸缩带式输送机设备管理与维护 46
参考文献 49
致 谢 51
温馨提示:
1、题目前面的备注【字母数字编号】为本站整理分类的编号,与课题内容无关,请选题时忽视;
2、若题目上备注三维,则表示文件里包含三维源文件,由于三维组成零件数量较多,为保证预览截图的简洁性,本站将三维文件夹进行了打包。三维及CAD预览截图,均为本站电脑打开软件进行截图的,保证能够打开,下载原件超高清,下载后解压即可;
3、本站所有资源如无特殊说明,都需要本地电脑安装Office2007。图纸软件为AutoCAD,PROE,UG,SolidWorks,CATIA等;
4、本站所有图文资料仅供用户学习参考,不作为任何商用或其他用途;
5、本站不保证下载资源的准确性、安全性和完整性, 不包修改,不支持退换,同时也不承担用户因使用这些下载资源对自己和他人造成任何形式的伤害或损失;
6、 下载文件中如有侵权或不适当内容,请与我们联系,我们立即纠正。