

作品包括:
Word设计说明书1份
任务书一份
开题报告一份
PPT答辩一份
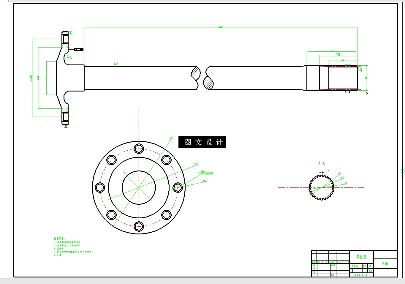
CAD版本图纸,共4张
摘要
本文首先确定主要部件的结构型式和主要设计参数,在分析驱动桥各部分结构形式、发展过程及其以往形式的优缺点的基础上,确定了总体设计方案,采用传统设计方法对驱动桥各部件主减速器、差速器、半轴、桥壳进行设计计算并完成校核,所有设计计算后均达到要求。最后运用AUTOCAD完成装配图和主要零件图的绘制。
温馨提示:
1、题目前面的备注【字母数字编号】为本站整理分类的编号,与课题内容无关,请选题时忽视;
2、若题目上备注三维,则表示文件里包含三维源文件,由于三维组成零件数量较多,为保证预览截图的简洁性,本站将三维文件夹进行了打包。三维及CAD预览截图,均为本站电脑打开软件进行截图的,保证能够打开,下载原件超高清,下载后解压即可;
3、本站所有资源如无特殊说明,都需要本地电脑安装Office2007。图纸软件为AutoCAD,PROE,UG,SolidWorks,CATIA等;
4、本站所有图文资料仅供用户学习参考,不作为任何商用或其他用途;
5、本站不保证下载资源的准确性、安全性和完整性, 不包修改,不支持退换,同时也不承担用户因使用这些下载资源对自己和他人造成任何形式的伤害或损失;
6、 下载文件中如有侵权或不适当内容,请与我们联系,我们立即纠正。