K657-端盖冲压工艺及模具设计[2套模具]-长70
K656-卡箍零件冲压工艺分析及模具设计[2套模具]
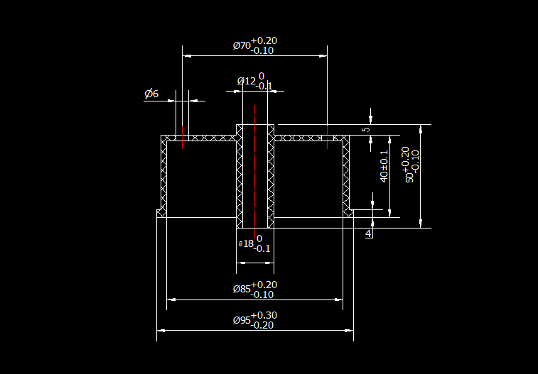
K655-塑料仪表盖注塑模具设计-直径80[含UG三维图]
K603-齿形垫圈冲孔落料复合模具设计-外径27
K584-金属摩擦片冲压模具设计
K563-导电片冲压模具设计
K562-垫块冲压模具设计
K553-托架冲压模具设计[2套模具]
K552-塑料端盖注塑模具设计A=95
K547-角码冲压模具设计
K541-穿线盒注塑模具设计[含UG三维图]
K540-气瓶冲压成形工艺及模具设计
K529-铰支板零件冲压模具设计[2套模具]
K528-制动垫片冲压工艺与级进模具设计-外径120
K522-笔盖注塑模具设计[含SW三维图]
K513-复印机支架的注塑模具设计
K499-电位器盒注塑模具设计[含UG三维图]
K498-支架冲压工艺与模具设计
K497-圆形饭盒上盖注塑模具设计[含UG三维图]
K496-U形件快速弯曲级进模设计