C580-摇臂钻床电气控制设计
C573机械原理课程设计-香皂包装机构设计[含Proe三维图]
C571机械设计课程设计-热镦机送料机械手设计[含SW三维图]
C541-某税务局办公大楼空气源热泵供暖系统设计
C540-20000m3d UASB-SBR工艺处理造纸中段废水处理设计
C512毕业设计(论文)-渡槽设计
C485-天津港码头工程5000吨级件杂货码头设计
C479-港件杂货港区总平面布置与码头结构设计
C474-大型制药厂热电冷三联供工程设计研究
C438-150td城市垃圾填埋场渗滤液处理工艺设计
C432-200万吨a原料处理量芳烃联合装置异构化工段设计
C410-年产40万吨合成氨脱硫工段的设计
C388-二坐标数控工作台设计
C380-年产5万吨甲醇合成工艺设计
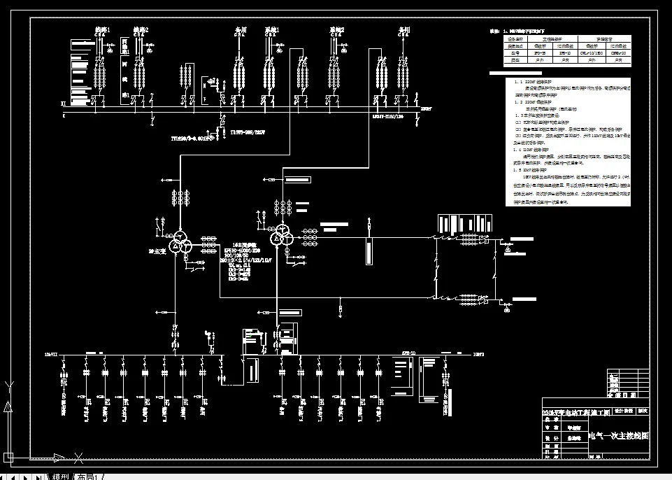
C359-某机械厂变电所及配电系统设计
C342-日处理量10万方CASS生物法市政污水处理厂设计
C341-日处理量10万方氧化沟法市政污水厂设计
C340-复合土工膜面板堆石坝设计
C331化工原理课程设计-16万吨年苯-甲苯精馏塔设计
C330化工原理课程设计-14万吨年苯-甲苯连续精馏塔设计