N6414-带孔盒形零件冲压工艺及模具设计-长29
N6412-带螺纹壳体注塑工艺及模具设计
N6411-筒形件复合模冲压模具设计-长90
N6409-透明盖注塑模具设计(含模流分析)【含UG三维图】
N6406-筒形件复合模冲压模具设计-长76
N6404-固定套冲孔翻边冲压模具设计-长80
N6403-垫片落料冲孔倒装复合模冲压模具设计-外径30
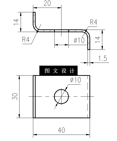
N6401-L形件落料冲孔弯曲级进模冲压模具设计-长100
N6399-支架弯曲冲孔冲压模具设计-长60【含UG三维图】
N6398-冰箱抽屉注塑模具设计
N6397-拉深筒形件二次拉深冲裁冲压模具设计-长99【含SW三维图】
N6397-Z形件级进模冲压模具设计
N6396-屏蔽罩级进模冲压模具设计【含UG三维图】
N6389-交流配电安装支架工艺模具设计【含UG三维图】
N6378-卡板冲压工艺及模具设计
N6361-电话机听筒下壳体注塑模具设计与分析【含UG三维图】
N6354-斯太尔机油泵前盖铸造模具设计【含UG三维图】
N6351-平头半六角铆螺母冷镦模具设计及分析【含UG三维图】
N6350-打蛋机外壳注射模具设计【含Proe三维图】
N6316-配电盒注塑工艺及模具设计