V525B-CA6140车床拨叉[831005]工艺及铣40×28平面夹具设计[含SW三维图]
V525-CA6140车床拨叉[831005]工艺及铣40×28平面夹具设计
J047-CA6140车床拨叉[831005]工艺及铣18槽夹具设计
W133-CA6140车床拨叉[831005]工艺及铣18槽夹具设计
E192B-CA6140车床拨叉[831005]工艺及铣18槽夹具设计[含SW三维图]
E192-CA6140车床拨叉[831005]工艺及铣18mm槽夹具设计
V230-CA6140车床拨叉[831005]工艺及铣8槽夹具设计
V257B-CA6140车床拨叉[831005]工艺及铣8槽夹具设计[含三维图]
V257-CA6140车床拨叉[831005]工艺及铣8槽夹具设计
Q103-CA6140车床拨叉[831005]工艺及铣8mm槽夹具设计
E191-CA6140车床拨叉[831005]工艺及铣8mm槽夹具设计
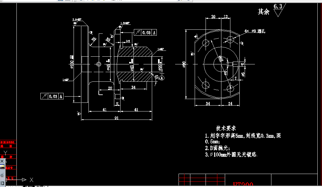
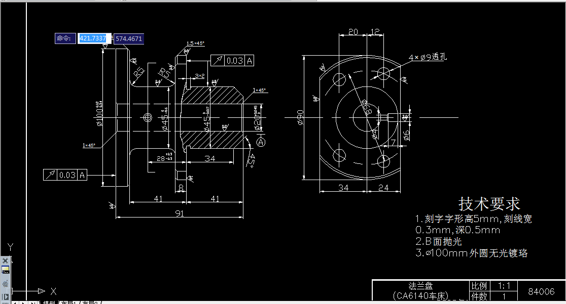
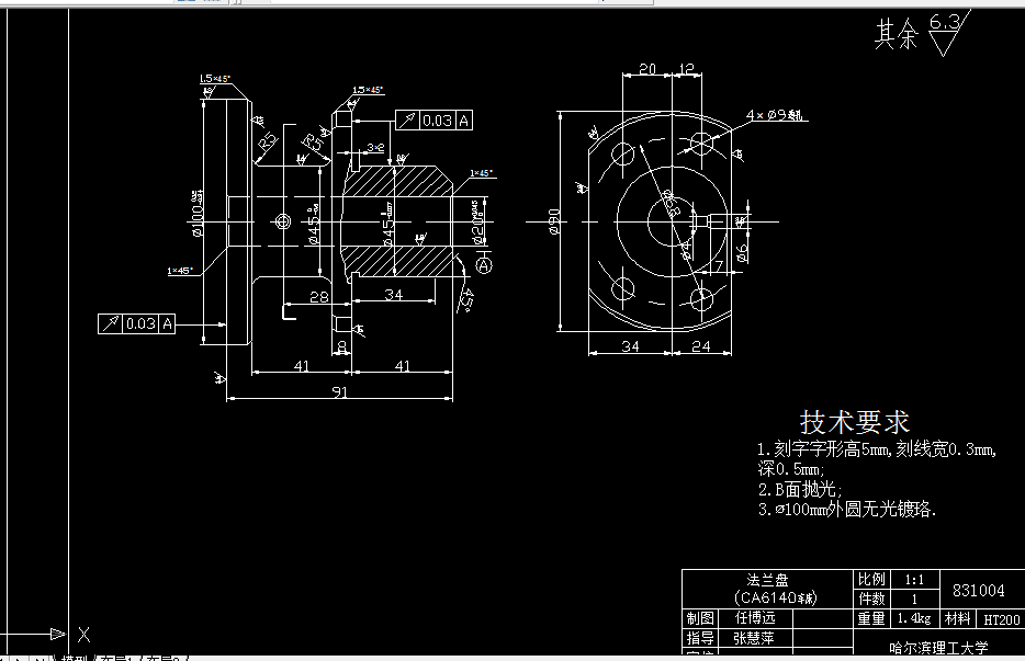
KS46-CA6140车床法兰盘[831004]工艺及钻6孔铣100面夹具设计[毕设版2套夹具]
KS45-CA6140车床法兰盘[831004]工艺及铣右平面夹具设计[含Proe三维]
KS44-CA6140车床法兰盘[831004]工艺及磨φ45外圆夹具设计
KS43-CA6140车床法兰盘[831004]工艺及车Φ45外圆面夹具设计
KS42-CA6140车床法兰盘[831004]工艺及刻槽夹具设计
V225-CA6140车床法兰盘[831004]工艺及铣Φ100端面的夹具设计
K024-CA6140车床法兰盘[831004]工艺及铣边夹具设计
E195-CA6140车床法兰盘[831004]工艺及钻φ6H9孔夹具设计
J183B-CA6140车床法兰盘[831004]工艺及钻φ6孔夹具设计[含SW三维图]