H191-CA6140车床法兰盘[831004]工艺及铣距中心34面夹具设计
AA4-CA6140车床法兰盘[831004]工艺及铣φ90两平面夹具设计
K155-CA6140车床法兰盘[831004]工艺及铣φ90两侧面夹具设计
J045B-CA6140车床法兰盘[831004]工艺及铣φ90两侧面夹具设计[含SW三维图]
J045-CA6140车床法兰盘[831004]工艺及铣φ90两侧面夹具设计
V256-CA6140车床法兰盘[831004]工艺及铣φ90两侧面夹具设计-气动
KS36-CA6140车床法兰盘[831004]工艺及铣φ90两侧面夹具设计[含SW三维图]
U042B-CA6140车床法兰盘[831004]工艺及车100外圆夹具设计[含SW三维图]
KS35-CA6140车床法兰盘[831004]工艺及车φ100外圆夹具设计
U042-CA6140车床法兰盘[831004]工艺及车大端面及20孔夹具设计
K130B-CA6140车床法兰盘[831004]工艺及车Ф90端面夹具设计[含SW三维图]
K130-CA6140车床法兰盘[831004]工艺及车Ф90端面夹具设计
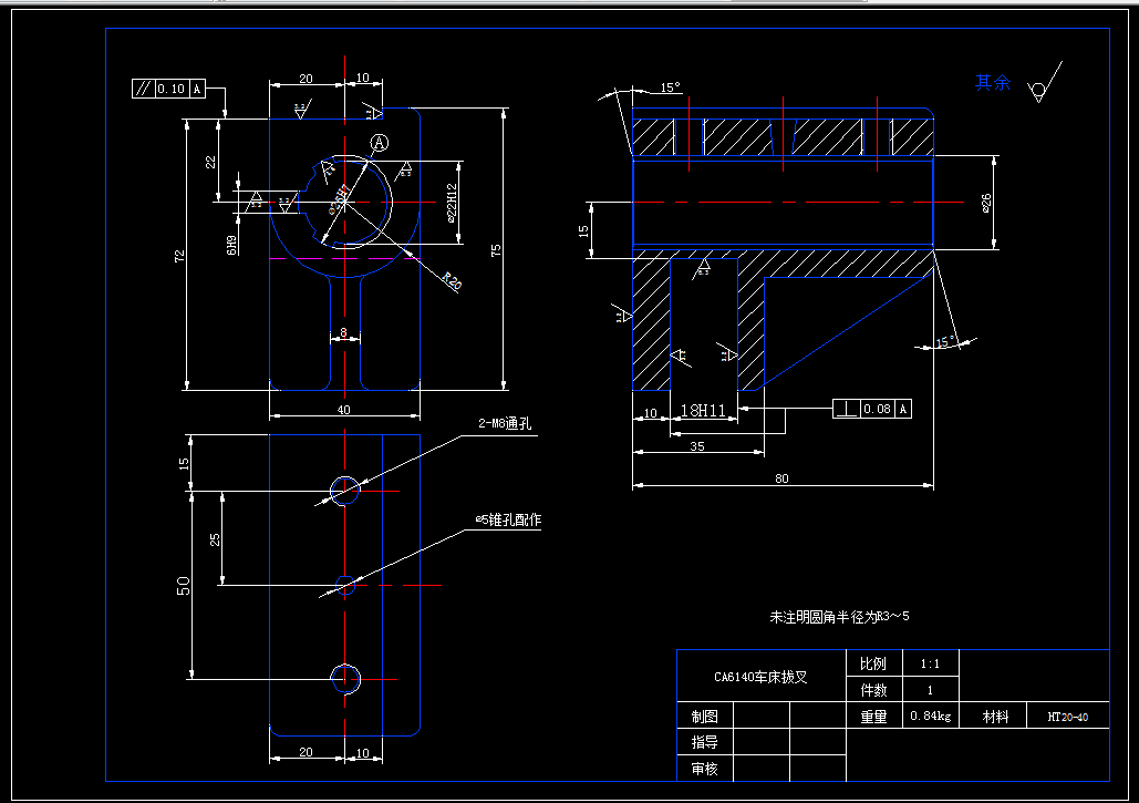
KS34-CA6140车床拨叉[831003]工艺及铣槽面30×80夹具设计
KS33-CA6140车床拨叉[831003]工艺及铣左端面夹具设计
KS32-CA6140车床拨叉[831003]工艺及铣左端面夹具设计
KS31-CA6140车床拨叉[831003]工艺及铣28×40端面D及槽夹具设计
KS30-CA6140车床拨叉[831003]工艺及铣左端面夹具设计
KS29B-CA6140车床拨叉[831003]工艺及钻φ5锥孔夹具设计[含SW三维图]
KS29-CA6140车床拨叉[831003]工艺及钻φ5锥孔夹具设计
KS28B-CA6140车床拨叉[831003]工艺及拉25H7花键槽夹具设计[含SW三维图]