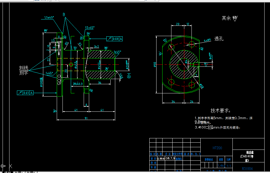
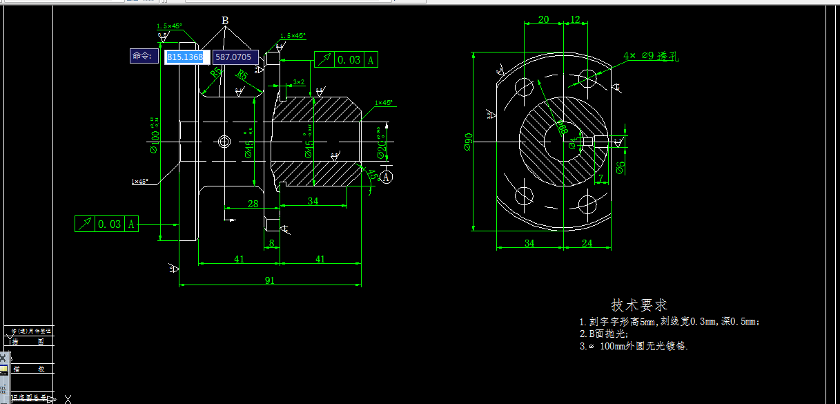
J183-CA6140车床法兰盘[831004]工艺及钻φ6H9孔夹具设计
I158-CA6140车床法兰盘[831004]工艺及钻Ф4孔夹具设计
V486-CA6140车床法兰盘[831004]工艺及钻Ф6和Ф4孔夹具设计
J044B-CA6140车床法兰盘[831004]工艺及钻Ф6和Ф4孔夹具设计[含SW三维图]
J044-CA6140车床法兰盘[831004]工艺及钻Ф6和Ф4孔夹具设计
K158-CA6140车床法兰盘[831004]工艺及钻Ф6Ф4阶梯孔夹具设计
W078-CA6140车床法兰盘[831004]工艺及钻Φ6和Φ4孔夹具设计
KS41-CA6140车床法兰盘[831004]工艺及钻20孔气动夹具设计-气动
K157-CA6140车床法兰盘[831004]工艺及钻Ф20mm通孔夹具设计
K011-CA6140车床法兰盘[831004]工艺及钻Φ20孔夹具设计
KS40-CA6140车床法兰盘[831004]工艺及钻Φ20孔夹具设计[含SW三维图]
KS39-CA6140车床法兰盘[831004]工艺及钻4-φ9孔夹具设计[含SW三维图]
KS38-CA6140车床法兰盘[831004]工艺及钻4-Ф9孔夹具设计[含三维图]
KS37-CA6140车床法兰盘[831004]工艺及钻4-Ф9孔夹具设计-气动
AA17-CA6140车床法兰盘[831004]工艺及钻4-φ9透孔夹具设计[含SW三维图]
I118-CA6140车床法兰盘[831004]工艺及钻4×φ9mm孔的钻床夹具设计
AA9-CA6140车床法兰盘[831004]工艺及钻4×φ9孔夹具设计
K156-CA6140车床法兰盘[831004]工艺及钻4×φ9孔钻床夹具设计
K034-CA6140车床法兰盘[831004]工艺及钻4×φ9孔钻床夹具设计
W150-CA6140车床法兰盘[831004]工艺及钻4×φ9孔夹具设计