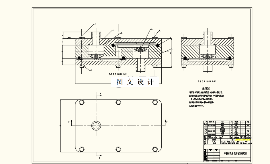
M8659-单腔体双振子压电泵结构设计
M8658-单腔体压电泵结构设计
M8657-三腔体并联压电泵结构设计【含UG三维图】
M8656-双腔体并联压电泵结构设计
M8643-缓冲包装材料冲击试验机设计
M8637-3T电缆车的设计
M8631-2T普通伸臂式焊接变位机设计
M8630-40T焊接滚轮架设计
M8629-240t焊接滚轮架设计-总体设计和从动滚轮座设计
M8628-240t焊接滚轮架设计-主动滚轮座设计
M8627-20t自调式焊接滚轮架设计
M8626-15t自调式焊接滚轮架设计
M8625-40t焊接滚轮架设计
M8624-翻转式气动专用装焊夹具设计
M8623-翻转式手动专用装焊夹具设计
M8622-摩天轮的PLC控制系统设计
Z1472-十字架式焊接机设计
M8620-十字焊接操作机设计
M8619-Q235钢制球形储罐焊接结构设计
M8618-Z5150A立式钻床的主轴箱设计