

作品包括:
Word版说明书1份,共34页,约13000字
CAD版本图纸,共7张

摘要
在当今世界经济飞速发展的时代背景下,物流业也在飞速的发展,传统的码垛技术已经跟不上这种发展的步伐,当今我国在码垛机器人方面的研发与设计与欧美等发达国家之间相差还比较大,设计合理的码垛机械臂对于降低码垛机器人的制造成本、提高国内码垛作业自动的程度具有非凡的意义。因此本文基于工业机器人的相关理论基础,设计出了一种四轴的圆柱坐标型码垛机械臂,能实现物料的堆放。该四轴码垛机械臂由两个转动副和两和移动副组成,能够实现物料的不同堆放,大大提高了生产效率。
关键词 四轴;结构设计;机械臂
目 录
摘要 Ⅰ
Abstract Ⅱ
1 绪论 1
1.1引言 1
1.2码垛机器人简介 1
1.3码垛机器人的发展与研究 2
1.4机器人将来的发展方向 3
1.5研究目的与意义 4
1.6课题研究内容 4
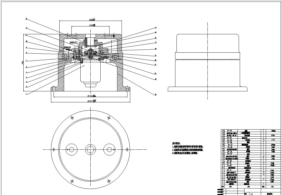
2总体结构的设计 5
2.1码垛机械臂的分类 5
2.1.1按坐标特性分 5
2.1.2按用途分 6
2.1.3按驱动方式分 7
2.2码垛机械臂的构型确定 7
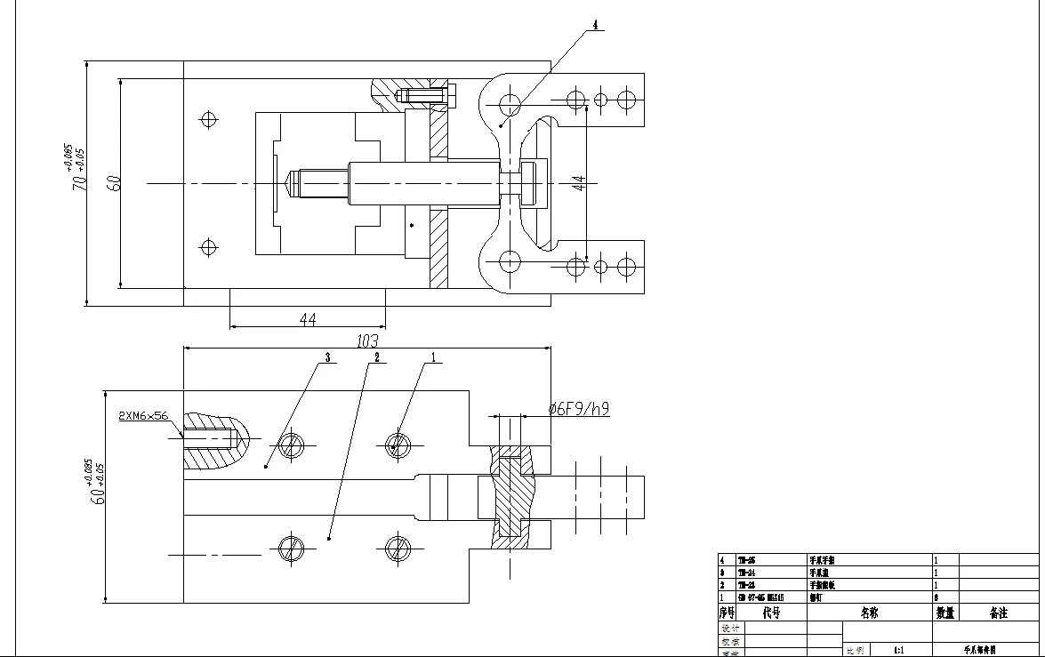
2.3码垛机械臂的总体结构设计 9
3传动机构的设计 10
3.1码垛机械臂的底座设计 10
3.2码垛机械臂的腰部转动设计 10
3.2.1减速器的选择 10
3.2.2 伺服电机的选择 12
3.3码垛机械臂的臂部竖直移动设计 13
3.3.1滚珠丝杠螺母的设计 13
3.3.2伺服电机的选择 15
3.3.3联轴器的选择 17
3.4码垛机械臂的臂部水平移动设计 18
3.4.1滚珠丝杠螺母的设计 18
3.4.2伺服电机的选择 19
3.4.3联轴器的选择 20
3.5码垛机械臂腕部的转动设计 21
3.5.1伺服电机的选择 21
3.5.2减速器的选择 23
4辅助机构的设计 24
4.1保护线路的设计 24
4.2码垛机械臂的零点设计 24
4.3制动器 25
总结 27
致谢 28
参考文献 29
温馨提示:
1、题目前面的备注【字母数字编号】为本站整理分类的编号,与课题内容无关,请选题时忽视;
2、若题目上备注三维,则表示文件里包含三维源文件,由于三维组成零件数量较多,为保证预览截图的简洁性,本站将三维文件夹进行了打包。三维及CAD预览截图,均为本站电脑打开软件进行截图的,保证能够打开,下载原件超高清,下载后解压即可;
3、本站所有资源如无特殊说明,都需要本地电脑安装Office2007。图纸软件为AutoCAD,PROE,UG,SolidWorks,CATIA等;
4、本站所有图文资料仅供用户学习参考,不作为任何商用或其他用途;
5、本站不保证下载资源的准确性、安全性和完整性, 不包修改,不支持退换,同时也不承担用户因使用这些下载资源对自己和他人造成任何形式的伤害或损失;
6、 下载文件中如有侵权或不适当内容,请与我们联系,我们立即纠正。