JJ4536-沙滩铲手柄注塑模具设计
JJ4535-塑料碗注塑模具设计-长128
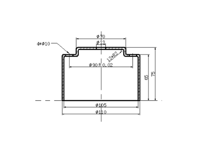
JJ4535-齿轮链轮套注塑模设计
JJ4534-化妆品瓶盖注塑模设计
Z1180-塑料餐具盒盖注塑模具设计
JJ4532-修正带外壳底座注塑模具设计
JJ4531-安耳悠耳塞盒注塑模具设计
JJ4530-空调遥控器面盖注塑模具设计
JJ4529-肥皂盒料模具设计【含UG三维图】
JJ4528-前轮毂压铸模具设计【含UG三维图】
JJ4527-塑料挂钩注塑模具设计
JJ4526-塑料水杯塑料模具设计【含UG三维图】
JJ4525-某修饰塑料件注塑模具设计
JJ4524-刹车片压铸模具设计【含UG三维图】
JJ4523-端体注塑模具设计【含UG三维图】
JJ4522-支架热流道叠层模注塑模具设计
JJ4521-塑料窗帘挂钩模具设计与制造
JJ4520-塑料仪表盖注塑模具设计-A=110材质ABS
JJ4519-壳体注塑模具设计-外径150
JJ4518-学习机风扇盒盖注塑模设计与加工