

作品包括:
Word版说明书1份,共98页,约37000字
CAD版本图纸,共7张
摘要
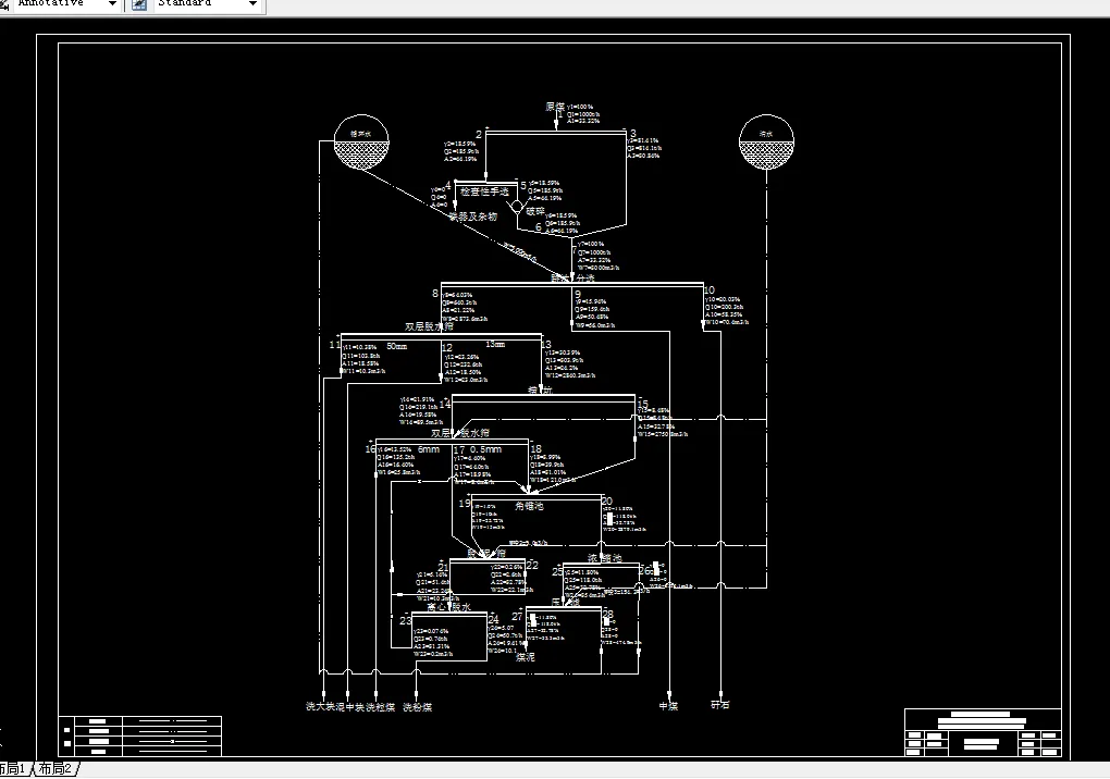
设计内容为东明矿业5.28Mt/a动力煤选煤厂的初步设计。该选煤厂属于矿井型选煤厂,主要产品用于动力用煤。该厂的煤种为低灰分褐煤,本次设计入选的原煤数量为5.28Mt/a,原煤灰分为33.32%。经过煤质资料分析、可选性曲线的绘制、入选方式选定、经济价值分析,以及可选性方案比较可知,本设计宜采用跳汰选煤工艺流程中的混合入选方式,得到洗大块、混中块、洗粒煤、洗粉煤四种产物。相应的产品指标为精煤产率为59.07%,灰分为18.52%;中煤产率为18.14%,灰分为50.48%;矸石产率为22.79%,灰分为20.03%。再进行工艺流程制定、数质量的计算、设备选型,工程概算以及图纸的绘制等。本厂职工定员为237人,预计三年可收回成本。在整个设计过程中,力求让选煤厂经济上合理、技术上可行、环境上符合要求。
关键词:东明矿业;选煤厂;动力煤;跳汰选煤;
目录
前言 1
1 厂区概况 2
1.1 地理、行政与交通 2
1.2 水文地质条件 3
1.3 工程地质及地震情况 3
1.4 气候特征 3
1.5 水源供应与排水情况 3
1.6 电源情况 3
1.7 建筑材料供应 3
2 原料煤基地概况 4
2.1 原料煤生产及供应 4
2.2 煤层及煤质 4
2.3 生产煤样化学性质 4
3 煤质资料分析及可选性评定 5
3.1 自然级筛分表分析与综合 5
3.2 方案 混合入选 6
3.2.1 筛分资料综合与分析 6
3.2.2 原煤的筛分资料的综合 7
3.3 煤的浮沉资料的综合 8
3.4 浮沉资料的综合和灰分校正 12
3.4.1 浮沉资料的综合 12
3.4.2 浮沉资料的灰分校正 13
3.5 原煤可选性的评定 14
3.6 以方案 混合入选 16
4 选煤方法与选煤工艺的确定 26
4.1 按方案 入选 26
4.2 按方案 入选 28
5 工艺流程选择 32
5.1 选煤方法和入选方式 32
5.2 工艺流程的制定 32
6 工艺流程数质量计算 33
6.1 跳汰设计产品计算 33
6.2 选煤厂小时处理能力 36
6.3 准备作业计算 37
6.3.1 预先筛分作业 37
6.3.2 手选及破碎作业 37
6.4 跳汰选煤作业的计算 37
6.5 产品脱水与分级 38
6.5.1 分级脱水 38
6.5.2 斗子捞坑分级计算 40
6.5.3 分级脱水 40
6.5.4 角锥池的分级计算 42
6.5.5 脱泥作业计算 42
6.5.6 离心脱水计算 42
6.6 煤泥水处理 43
6.7 水量流程计算 44
6.8 本章小结 47
7 工艺设备选型与计算 48
7.1 设备选型与计算的任务和原则 48
7.1.1 设备选型的原则 48
7.1.2 不均衡系数的选取 48
7.2 原煤准备设备的选型与计算 48
7.2.1 预设备的选型与计算先筛分 48
7.2.2 破碎设备的选型与计算 49
7.3 跳汰机设备的选型与计算 50
7.4 选后产品脱水设备选型与计算 51
7.4.1 精煤脱水筛分设备选型与计算 51
7.4.2 斗子捞坑的选型与计算 52
7.4.3 角锥沉淀池的选型与计算 53
7.4.4 脱泥设备选型与计算 53
7.4.5 离心脱水设备选型与计算 54
7.4.6 煤泥浓缩设备的选型与计算 54
7.4.7 煤泥压滤设备的选型与计算 55
7.5 辅助设备的选型计算 56
7.5.1 胶带输送皮带的选型与计算 56
7.5.2 刮板输送机的选型与计算 59
7.5.3 斗式提升机的选型与计算 60
7.5.4 给煤机的选型与计算 61
7.6 设备明细表 62
7.7 本章小结 62
8 工业场地总平面布置 63
8.1 主要建筑物与构筑物布置 63
8.2 铁路、公路与主要道路布置 64
8.3 工业场地环境保护与绿化 65
8.4 本章小结 65
9 主要生产车间工艺布置 66
9.1.1 受煤车间工艺布置 66
9.1.2 储煤仓的工艺布置 66
9.2 准备车间工艺布置 66
9.3 跳汰洗煤车间工艺布置 66
9.4 压滤车间工艺布置 67
9.5 产品装车仓工艺布置 67
9.6 本章小结 67
10 车间生产条件与环境保护 68
10.1 车间内的噪音级粉尘污染的治理方案和措施 68
10.1.1 车间内的噪音控制 68
10.1.2 车间内的粉尘控制 68
10.2 药品及污水等污染的治理方案及措施 69
10.3 本章小结 69
11 选煤厂技术经济指标 70
11.1 劳动定员及劳动生产率 70
11.1.1 劳动定员 70
11.1.2 劳动生产率 71
11.2 商品煤总产值 71
11.3 设计总成本计算 71
11.3.1 劳动成本 72
11.3.2 设备总成本计算 72
11.3.3 基建投资计算 73
11.3.4 营运投资的计算 73
11.3.5 不可预见费的计算 74
11.4 分离后成本 75
11.5 投资效益的计算 75
11.5.1 总利润 75
11.5.2 投资利润率 76
11.5.3 投资收益率 76
11.5.4 投回收期资 76
11.6 本章小结 77
12 结论 78
致谢 79
参考文献 80
附录A 外文文献 81
附录B 译文 91
温馨提示:
1、题目前面的备注【字母数字编号】为本站整理分类的编号,与课题内容无关,请选题时忽视;
2、若题目上备注三维,则表示文件里包含三维源文件,由于三维组成零件数量较多,为保证预览截图的简洁性,本站将三维文件夹进行了打包。三维及CAD预览截图,均为本站电脑打开软件进行截图的,保证能够打开,下载原件超高清,下载后解压即可;
3、本站所有资源如无特殊说明,都需要本地电脑安装Office2007。图纸软件为AutoCAD,PROE,UG,SolidWorks,CATIA等;
4、本站所有图文资料仅供用户学习参考,不作为任何商用或其他用途;
5、本站不保证下载资源的准确性、安全性和完整性, 不包修改,不支持退换,同时也不承担用户因使用这些下载资源对自己和他人造成任何形式的伤害或损失;
6、 下载文件中如有侵权或不适当内容,请与我们联系,我们立即纠正。