

作品包括:
Word设计说明书1份
CAD版本图纸,共5张

摘要
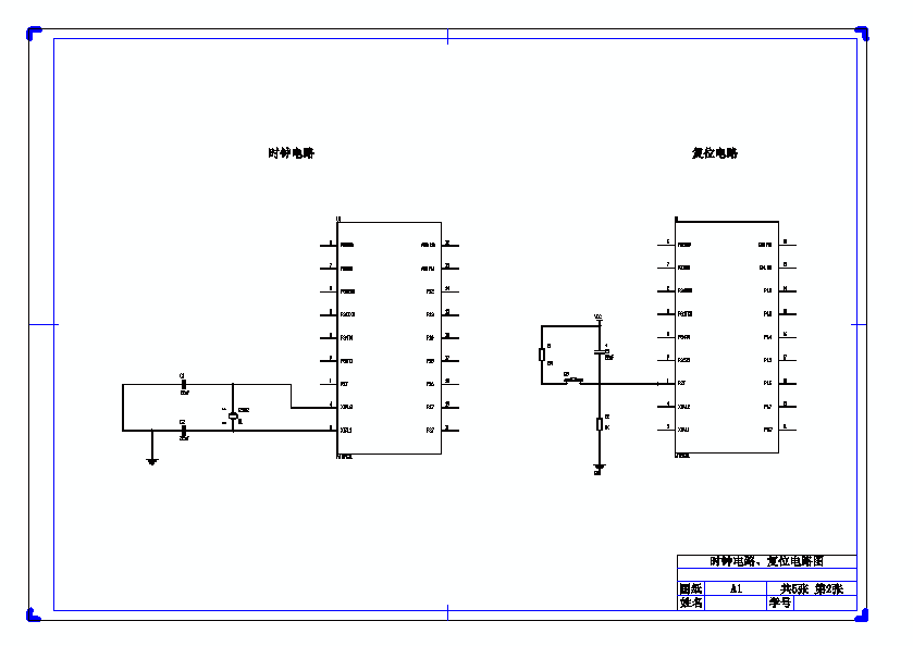
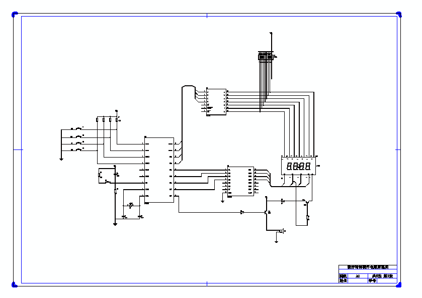
数字时钟的设计本设计介绍了数字时钟的硬软件系统设计。该系统具有时间设置及显示、闹钟设置及提醒等功能。系统以 AT89C2051为核心器件,主要进行基于AT89C51低功耗LED显示数字时钟及其系统的研究。硬件由按键输入电路、单片机、时钟电路、复位电路、LED段码驱动电路、LED位码驱动电路、四位LED显示器电路和蜂鸣器电路8部分组成。该硬件系统配合按键调控,操作简单,同时具有闹钟设置及提醒功能,时钟在LED上显示功能。该数字时钟能长期、连续、可靠、稳定的工作;同时还具有体积小、功耗低等特点,便于携带,使用方便。系统软件设计采用模块化程序设计方法,共分为主程序、数码管动态扫描模块、当前时间计时模块、输入闹钟时间模块、当前时间调整模块、蜂鸣器报警模块、数值转换模块7个模块的设计。
温馨提示:
1、题目前面的备注【字母数字编号】为本站整理分类的编号,与课题内容无关,请选题时忽视;
2、若题目上备注三维,则表示文件里包含三维源文件,由于三维组成零件数量较多,为保证预览截图的简洁性,本站将三维文件夹进行了打包。三维及CAD预览截图,均为本站电脑打开软件进行截图的,保证能够打开,下载原件超高清,下载后解压即可;
3、本站所有资源如无特殊说明,都需要本地电脑安装Office2007。图纸软件为AutoCAD,PROE,UG,SolidWorks,CATIA等;
4、本站所有图文资料仅供用户学习参考,不作为任何商用或其他用途;
5、本站不保证下载资源的准确性、安全性和完整性, 不包修改,不支持退换,同时也不承担用户因使用这些下载资源对自己和他人造成任何形式的伤害或损失;
6、 下载文件中如有侵权或不适当内容,请与我们联系,我们立即纠正。