

作品包括:
Word版说明书1份,共43页,约20000字
开题报告一份
外文翻译一份
CAD版本图纸,共6张

摘要
本次设计的液压传动机械手根据规定的动作顺序,综合运用所学的基本理论、基本知识和相关的机械设计专业知识,完成对机械手的设计,并绘制必要装配图、液压系统图。机械手的机械结构采用油缸、螺杆、导向筒等机械器件组成;在液压传动机构中,机械手的手臂伸缩采用伸缩油缸,手腕回转采用回转油缸,机械手的升降采用升降油缸,立柱的横移采用横向移动油缸。
本设计拟开发的上料机械手可在空间抓放物体,动作灵活多样,可代替人工在高温和危险的作业区进行作业,可抓取重量较大的工件。
关键词 机械手、液压
目 录
1 前言
1.1概述-------------------------------------------------------------(1)
1.2世界机器人的发展-------------------------------------------------(1)
1.3我国工业机器人的发展---------------------------------------------(2)
1.4 我要设计的机械手-------------------------------------------------(3)
2 手部结构及其计算-------------------------------------------------------(6)
2.1概述-------------------------------------------------------------(6)
2.2设计时的参考要求-------------------------------------------------(7)
2.3驱动力的计算 ----------------------------------------------------(7)
2.4两支点回转式钳爪的定位误差的分析---------------------------------(9)
3 腕部的结构及其计算----------------------------------------------------(11)
3.1概述------------------------------------------------------------(11)
3.2 腕部的结构形式--------------------------------------------------(11)
3.3手腕驱动力矩的计算-----------------------------------------------(12)
4 臂部的结构及其计算----------------------------------------------------(15)
4.1概述------------------------------------------------------------(15)
4.2手臂直线运动机构------------------------------------------------(15)
4.3手臂升降运动----------------------------------------------------(18)
4.4手臂的横向移动--------------------------------------------------(19)
4.5 臂部运动驱动力计算----------------------------------------------(21)
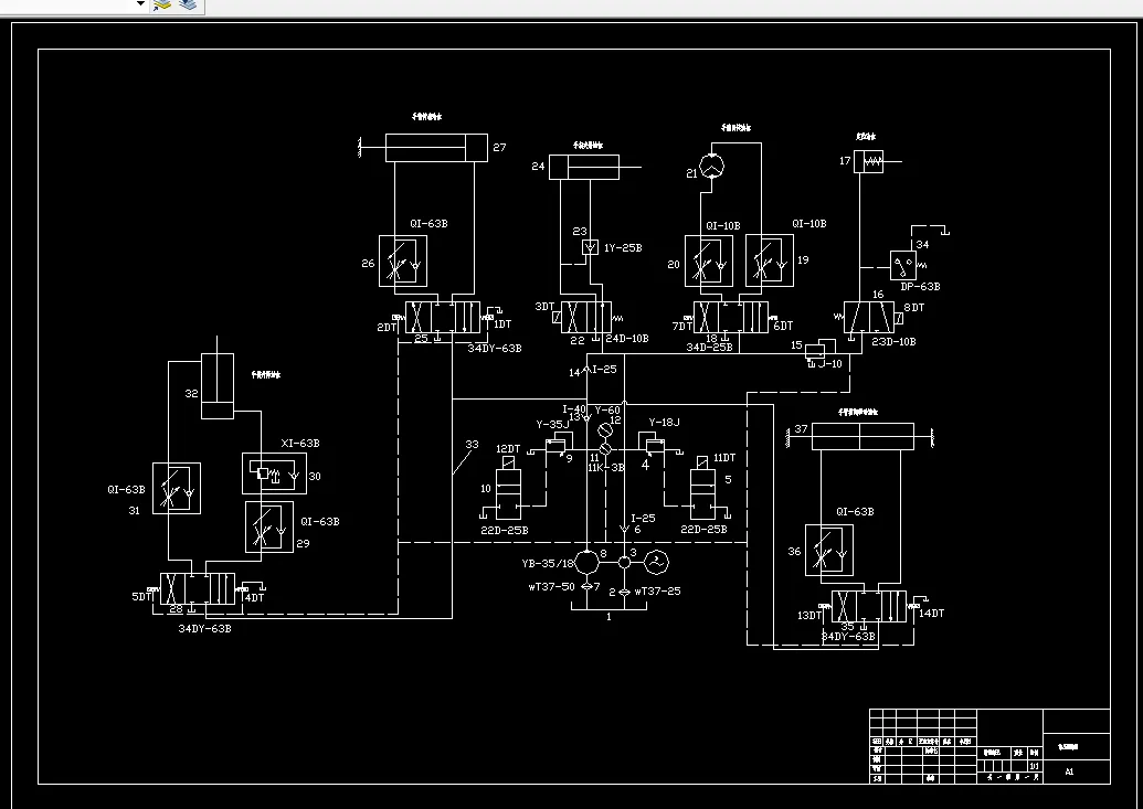
5 液压系统的设计--------------------------------------------------------(22)
5.1液压系统简介-----------------------------------------------------(22)
5.2液压系统的组成--------------------------------------------------(23)
5.3机械手液压系统的控制回路-----------------------------------------(23)
5.4械手的液压传动系统-----------------------------------------------(25)
5.5机械手液压系统的简单计算-----------------------------------------(29)
6 机械手的定位与平稳性—————————————————————————(36)
6.1影响平稳性和定位精度的因素---------------------------------------(36)
6.2机械手运动的缓冲装置---------------------------------------------(36)
6.3机械手运动的缓冲装置——————————————————————(37)
7 设计心得 -------------------------------------------------------------(38)
8 参考文献 -------------------------------------------------------------(40)
温馨提示:
1、题目前面的备注【字母数字编号】为本站整理分类的编号,与课题内容无关,请选题时忽视;
2、若题目上备注三维,则表示文件里包含三维源文件,由于三维组成零件数量较多,为保证预览截图的简洁性,本站将三维文件夹进行了打包。三维及CAD预览截图,均为本站电脑打开软件进行截图的,保证能够打开,下载原件超高清,下载后解压即可;
3、本站所有资源如无特殊说明,都需要本地电脑安装Office2007。图纸软件为AutoCAD,PROE,UG,SolidWorks,CATIA等;
4、本站所有图文资料仅供用户学习参考,不作为任何商用或其他用途;
5、本站不保证下载资源的准确性、安全性和完整性, 不包修改,不支持退换,同时也不承担用户因使用这些下载资源对自己和他人造成任何形式的伤害或损失;
6、 下载文件中如有侵权或不适当内容,请与我们联系,我们立即纠正。