

作品包括:
Word版说明书1份,共44页,约15000字
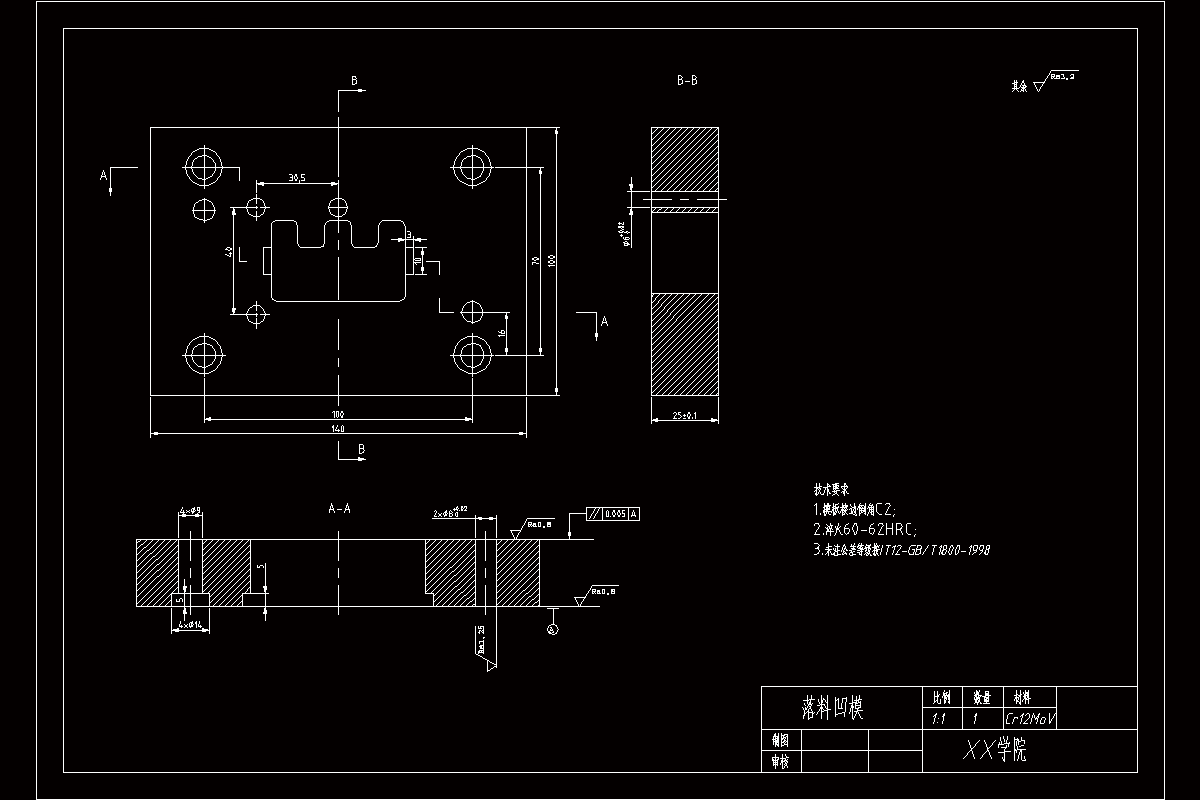
CAD版本图纸,共13张
UG三维图一套

摘要
从工件结构分析,该工件轮廓结构由直线圆弧相切,工件形状具备对称性。模具的设计的设计先从工件的工艺结构出发,根据工件图只要求和形状来确定模具的设计方案,进步一确定模具制造精度等级,和排样设计从而确定出模具的类型结构,从实际生产的角度出发,为了节约模具制造成本,提高产品生产效率,保证工件的生产精度,该工件的冲裁模具设计方案采用了复合模具冲裁。在模具设计前主要查找工件图纸中未标注公差的尺寸公差,根据尺寸公差来确定模具制造的精度,经过多次的排样分析以后,开始进行模具的结构设计,计算模具的闭合高度、卸料力、冲裁力、、冲裁间隙、模具装配配合间隙、凸模高度、压力中心、模具总压力,根据总冲压力选择冲压设备;所有的设计方案确定以后开始绘制模具草图、装配图、零件图、编写技术要求、设计说明书。
温馨提示:
1、题目前面的备注【字母数字编号】为本站整理分类的编号,与课题内容无关,请选题时忽视;
2、若题目上备注三维,则表示文件里包含三维源文件,由于三维组成零件数量较多,为保证预览截图的简洁性,本站将三维文件夹进行了打包。三维及CAD预览截图,均为本站电脑打开软件进行截图的,保证能够打开,下载原件超高清,下载后解压即可;
3、本站所有资源如无特殊说明,都需要本地电脑安装Office2007。图纸软件为AutoCAD,PROE,UG,SolidWorks,CATIA等;
4、本站所有图文资料仅供用户学习参考,不作为任何商用或其他用途;
5、本站不保证下载资源的准确性、安全性和完整性, 不包修改,不支持退换,同时也不承担用户因使用这些下载资源对自己和他人造成任何形式的伤害或损失;
6、 下载文件中如有侵权或不适当内容,请与我们联系,我们立即纠正。