

作品包括:
Word版说明书1份,共22页,约7700字
CAD版本图纸,共4张

摘要
本文主要介绍了冲裁模具的设计步骤和实例,包括制件的工艺性分析、工艺方案制定、垫板排样与材料利用率计算、冲压力计算、压力机的选择、压力中心和刃口尺寸的计算以及模具结构设计和装配图的制作等内容。其中,制件的结构要求、精度和表面粗糙度要求以及垫板的工艺分析都是重要的考虑因素。在计算冲压力时,需要考虑材料的性质、厚度和强度等因素,并选择合适的压力机进行冲压。在模具结构设计中,需要确定凹模外形、凸模尺寸、导向零件、模座和模柄等细节。最后,通过制作模具装配图来指导实际制作。本文详细介绍了冲裁模具设计的过程和要点,对冲裁模具设计的实践具有一定的指导意义。
关键词:冲裁模;工艺方案;冲压力;凹模;凸模
目录
1引言1
2设计步骤与实例2
3冲裁模具设计3
3.1制件3
3.2制件工艺性分析3
3.2.1制件结构要求3
3.2.2制件精度和表面粗糙度要求4
3.2.3垫板的工艺分析4
3.3制定工艺方案5
3.4垫板排样与材料利用率5
4计算冲压力、选择压力机7
4.1计算冲压力7
4.2压力机的选择8
5压力中心及刃口计算9
5.1压力中心9
5.2计算刃口尺寸10
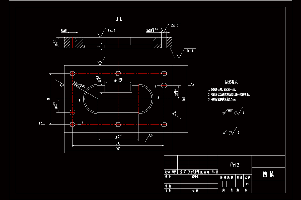
6模具结构设计13
6.1凹模外形的确定13
6.2确定凸模尺寸14
6.3导向零件(模架组合) 15
6.4模座16
6.5模柄16
7模具装配图18
总结19
致谢20
参考文献21
温馨提示:
1、题目前面的备注【字母数字编号】为本站整理分类的编号,与课题内容无关,请选题时忽视;
2、若题目上备注三维,则表示文件里包含三维源文件,由于三维组成零件数量较多,为保证预览截图的简洁性,本站将三维文件夹进行了打包。三维及CAD预览截图,均为本站电脑打开软件进行截图的,保证能够打开,下载原件超高清,下载后解压即可;
3、本站所有资源如无特殊说明,都需要本地电脑安装Office2007。图纸软件为AutoCAD,PROE,UG,SolidWorks,CATIA等;
4、本站所有图文资料仅供用户学习参考,不作为任何商用或其他用途;
5、本站不保证下载资源的准确性、安全性和完整性, 不包修改,不支持退换,同时也不承担用户因使用这些下载资源对自己和他人造成任何形式的伤害或损失;
6、 下载文件中如有侵权或不适当内容,请与我们联系,我们立即纠正。